
Navštíveno 1253x


07.03.2007, 06:53 |
Danda Ahoj. Potřeboval bych ovládat elektromotorek, ale potřeboval bych na něm převracet pólování. Aby se mi točil na obě strany jak budu chtít. Na obrázku je baterka, motorek a přepínač. Určitě by to šlo nějak přes tranzistory, ale už jsem dlouho ze školy. Takže nevíte někdo? Díky

K čemu tranzistory? Stačí použít obyčejný přepínač se dvěma přepínacímni kontakty a zapojit je křížem....

07.03.2007, 08:07 |
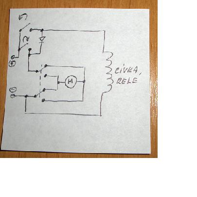
Danda Bude to takhle fungovat? Ty šipky jsou jako tranzistory.
Bohužel ten dvojitej přepínač použít nemůžu. Vím že to sním jde.
Až to bude tahle nějak jak je to na obrázku fungovat, budu k tomu potřebovat ještě udělat aby do motorku šla šťáva jen chvilku. Dejme tomu vteřinu nebo půl...

to bys potreboval poradny trandaky, navic to neni tak jednoduchy musis nastavit pracovni stupen :) staci jeden prepinac s dvema nezavislymi okruhy a je to :)

07.03.2007, 08:34 |
Danda Motůrek je to maličký. Jako motůrek co vysunuje CD mechaniku.
Takže zas až tak veklý tranzistory tam bejt nemusí, navíc když do motůrku budou poštět šťávu tak max. jednu vteřinu, tak se nestihnou ani zahřát :-))
Nicméně - bude to takhle fungovat tak jak jsem to nakreslil???
PS: A co je to pracovní stupeň?
A co použít relátko. Myslím, že na tak malý motorek bys vybral něco v pouzdru DIL (podle dovoleného zatížení kontaktů).


08.03.2007, 11:00 |
Danda Potřebuju to na motorku. Jako elektrické ovládání sitiče :-) Ale už mi to funguje. Děkuju mockrát všem.

09.03.2007, 23:26 |
Nepér Možná by bylo lepší vědět na co to je, než přemýšlet nad něčím neznámým...