Ahoj,
stavím si demo panel na LED žárovky a narazil jsem na jeden docela dost zásadní problém a už jsem dost v koncích a nevím co s tím (a přiznám se že mám kompletní elektrotechnické vzdělání :-(
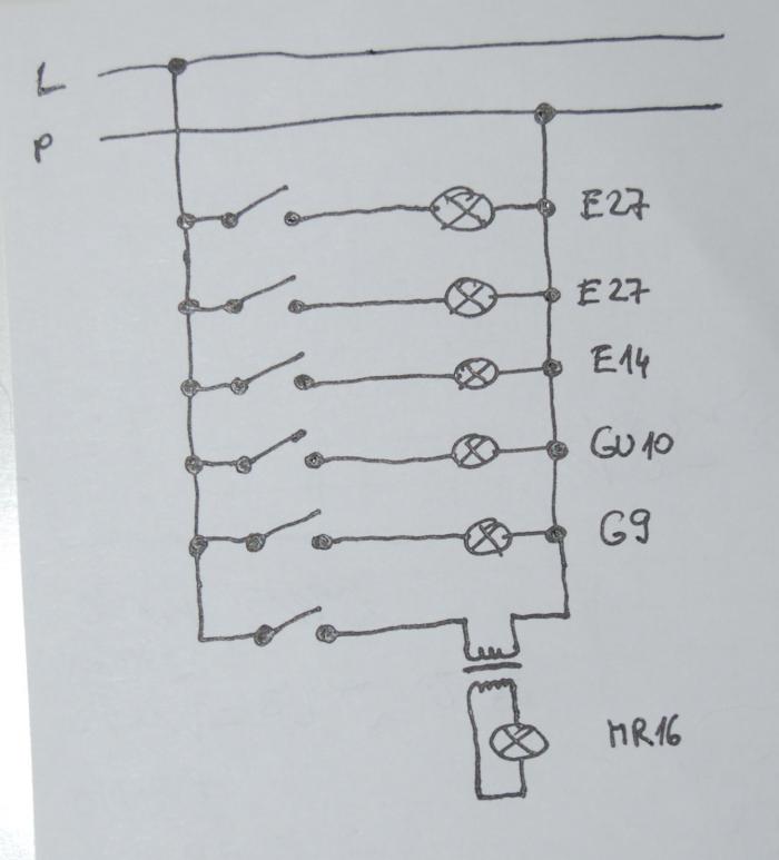
V demopanelu jsou různé druhy patic, každá patice je přes vlastní vypínač připojena na fázi. Když panel osadím různými LED žárovkami, tak se mi stává, že v komplet vypnutém stavu - všechny vypínače jsou OFF - občas problikne žárovka osazená v G9 patici.
Zkoušel jsem to měřit a nevím kde se to tam bere, ale proti nule naměřím 10-30V v místě přerušené fáze (za vypínačem u žárovky).
Zkoušel jsem i vykuchat pryč to trafo 230/12V a pořád to dělá. Dráty tam vedou tak něják halabala, ale moc se mi nezdá že by se tam mohlo něco naindukovat, navíc nikde nic neteče, protože je všechno OFF.
Vypínače jsou taky OK, měřený odpor. V obvodu už nic dalšího není, žádný doutnavky atd.
Fakt jsem už v koncích, nemá někdo nějákou ideu?
Díky moc za příspěvky k tématu.
