
Navštíveno 3754x

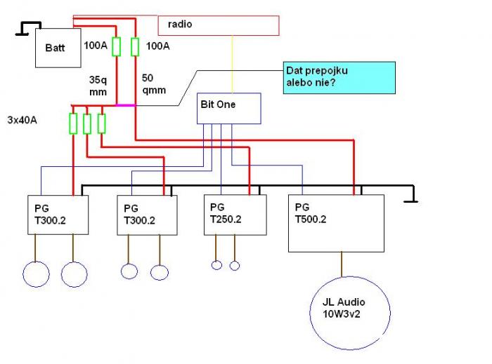
Mam dilemu, skuste poradit co by bolo lepsie, dat tam prepojku medzi 50 a 35 kabel alebo nie? (znacena fialovo) keby slo o SPL tak by som ju tam jednoznacne dal, ale pre SQ mam dilemu


19.12.2008, 12:13 |
Zdenek (A)
Nedaval bych ji tam. Pri velkych odberech wooferu by vice kolisal ubytek napeti na tom tencim kabelu v useku od bat. k ditribucnimu bloku, kde by to bylo spojene. Tim by dochazelo k vetsimu ovlivneni nebasove casti instalace.
když to propojíš tak můžeš zrovna zruššit i pojistky.

19.12.2008, 12:40 |
Zdenek (A)
Pojistky rusit nemuze. Musi jistit napajeci kabely u baterky.
Jako Zdenek, taky bych ji nedával
Dal bych distribuční blok s pojistkami. Aby měl tři vstupy a do nich bych zapojil 35mm2 a 50mm2 a další 50mm2 odtud rovnou do monobloku. A přes vystupy s pojistkami zapojit zbytek zesů. Pokud se jednou objeví kolísání proudu, tak ať je to zapojené jak chce, stejně je to pořád jeden okruh, nebo ne? A na 50mm2 kabel bych dal silnější pojistku. Je to navíc SQ, takže určitě nepojede žádné max. výkony. A při této kabeláži a určitě i odpovídající baterii kolísání asi nehrozí.

19.12.2008, 17:24 |
Augi Já mám dist. blok s 50+35 IN a 4x25 OUT.
Tím bys to měl taky vyřešený nebo se pletu?

19.12.2008, 17:31 |
Cenda Siggi, k cemu? A jak ji tam pripojis? Pokud by jsi prerusil kabely, tak mas sice na zacatku 75qmm, ale dalsi prechodovy odpor, takze ve finale by jsi odpor na vetvi nejspis zvysil a ne snizil.
Rozhodnute, nebudem ju tam davat.