
Navštíveno 945x


07.06.2006, 21:22 |
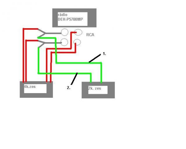
Paul lidi mám takovej problém se signálovými kabely u 2k. zesilovače,který pohání subwoofer.Když odpojim kabel č.1,subwoofer hraje pořád stejně a nebo nerozpoznám ten rozdíl.Pokud odpojim i kabel č.2 subwoofer samozřejmě nehraje.Pokud prohodim zapojení kabelů č.1 a č.2 tzv. kabel č.1 strčim do zdířky Y kabelu tam kde před tim byl kabel č.2 a č.2 tam kde byl kabel č.1,tak přestanou hrát komponentní repra na 4k.zesilovači.Fakt nechápu.Díky za rady


07.06.2006, 21:30 |
Ricci Skontroluj vsetky kombinacie,aby si nasiel,kde je problem,takze aj napr. poodpajaj kable zo 4k zosiku a nexaj zapojeny len 2 kanal,moze to robit zly kabel alebo vstup toho 4 k

07.06.2006, 21:44 |
Paul A když odpojim jeden ze sig.kabelů u 2k. zesilovače,tak bude hrát subwoofer jinak,než když jsou zapojený oba dva sig.kabely?

07.06.2006, 23:08 |
clown Paul .. mimochodem u Pio mas vystup na sub vzdy mono .. takze nemusis mit zapojeny oba kable do toho dvoukanalu .. .. teda pokud ma prepinac na mustek ..
jinak bych si taky tipnul na poskozenej kabel .. pokud je to mozny rozeber cinch konektory a jukni se .. zkus jinej kabel ..
Vystup muze byt mono, ne uz tak vstup na zesiku, nekdy je potreba mit buzeny OBA vstupy na zesiku, Ivous by moh vypravet.
Nekterej vyrobce to ma tak, nekterej tak...

08.06.2006, 12:33 |
Paul mám pio deh-P5700MP a ta nemá výstup na sub.Asi to ale bude tim kabelem.Odpojil jsem 4k. zesik a zapojil jsem jenom 2k. zesik.Ze zadu do rádia jsem zapojil kabel č.1 a nic se nedělo.Zapojim ještě kabel č.2 a sub hrál,ale myslim si,že to není dobrý když sub hraje pouze když zapojim jeden cinch a když místo toho cinch kterej fungoval zapojim ten druhej cinch,tak nic nehraje.

08.06.2006, 20:37 |
Paul problém byl vyřešen.Je to špatný kabel.Když s nim na určitym místě zahejbu,tak funguje.Díky moc za rady.