
Navštíveno 2024x

Zdravim, prosim o prekontrolovani sestavy-nevim jak a kde vsude by meli byt pojistky a prurezy nap. kablelu... diky moc!

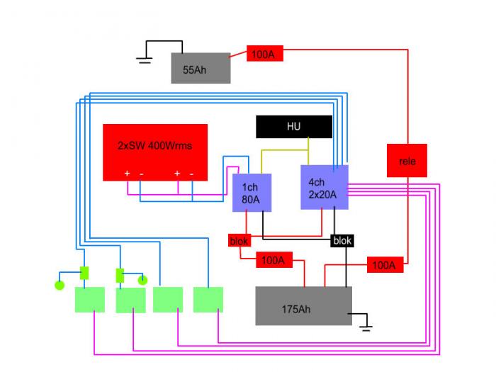
mezi druhou 175Ah baterkou a rozvodnym blokem máš slabou pojistku, když na zesech máš dohromady 120A tak stovka asi bude hořet :)
jaj ja se prepsal, mel by tam jit jako monoblok CP wanted 1/800D, a tam je 2x30A, bude 100A stacit nebo radsi vic?

23.04.2008, 16:05 |
Cenda k urceni prurezu kabelu je potreba i jejich delka, podle prurezu potom zvolis pojistku. Mezi baterkama 35qmm a 100A je uplne v pohode.
NiMMiC: 100A bude stacit urcite...
ok,a jako rele muze byt toto ze?
[ Link ] jak se to zapojuje? (resp. na co jsou ty zadni 2 male vystupy?) diky

23.04.2008, 17:57 |
Zip no ještě bych řekl, že by měli být pojistky na + k zesíkům za tím rozvodným blokem a nebo v něm.

23.04.2008, 18:03 |
Cenda to rele v pohode, na šrouby + od baterky, na druhy remote a kostru
pojistky v bloku taky 100A nebo podle pojistek na zesiku?

25.04.2008, 10:09 |
Zip pojistky na kabelu chrání kabel, takže to je dle průřezu kabelu, záleží jaký tam bude kabel za tím rozvodným blokem na +. Pojistky na zesíku ti chrání zesík a to je dostatečná ochrana zesíku.

25.04.2008, 14:51 |
NiMMiC | Upraveno: 2008-04-25 14:52:22
pocitam ze delka kabelu bude 30cm az max 50cm... a prurez bych potreboval poradit...